We offer a great selection of Renishaw Products. We also focus on products related to CMMs as well as Vision Systems like Ram Optical and OGP. We thank you for the opportunity to earn your business and strive for your 100% satisfaction.
* * * Your order will be placed with Renishaw as soon as your payment clears * * *
* * * Please note we have a 5 day handling time due to this fact * * *
* * * If your application requires custom or stock cabling please contact us prior to purchase * * *
Condition:
Country of Manufacture: UNITED KINGDOM
Brand: RENISHAW
Model: PH10M
MPN: A-1025-0050
Renishaw PH10M Motorized CMM Probe Head New with 1 Year Warranty.

PH10 Probe Heads
The range comprises three PH10 models, each of which can carry a range of probes and extensions and can be orientated in 720 repeatable positions, giving access to the most difficult-to-reach workpiece features.
Each head in the PH10 range is a general purpose, versatile unit designed specifically for use on direct computer controlled (DCC) CMMs
All three variants of the new PH10 heads are now supplied with a revised repeatability specification, down from 0.5 µm (2?) to just 0.4 µm (2?) (specified at a distance of 62 mm), giving users improved positioning at the stylus tip. The new specification heads are physically differentiated by a new ‘aqua blast’ finish which gives a modern, matt black appearance.
WARNING:
The components of the PH10 system are not compatible with PH9 system components. No attempt should be made to connect PH10 system components to a PH9 system, as this will result in damage to the product. Each of the three different models of PH10 are also available with iQ (inferred qualification) functionality.
PH10M
The PH10M can carry long extension bars and complex probes such as SP25M or TP7M. The highly repeatable autojoint allows rapid probe or extension bar changing without the need for re-qualification. Shank-mounted head with multiwired probe capability and a Renishaw autojoint
Shank Mounted PH10M Probe Head

The PH10M fits any standard shank. It may be used in conjunction with the Renishaw AM1 adjustment module
PH10M Specification

The PHC10-3 is powered from the ac mains supply via an IEC 320 connector. The operating voltages of the unit are as follows:
100 Vac - 240 Vac +10%, -15% 47 Hz - 66 Hz, 30 W maximum
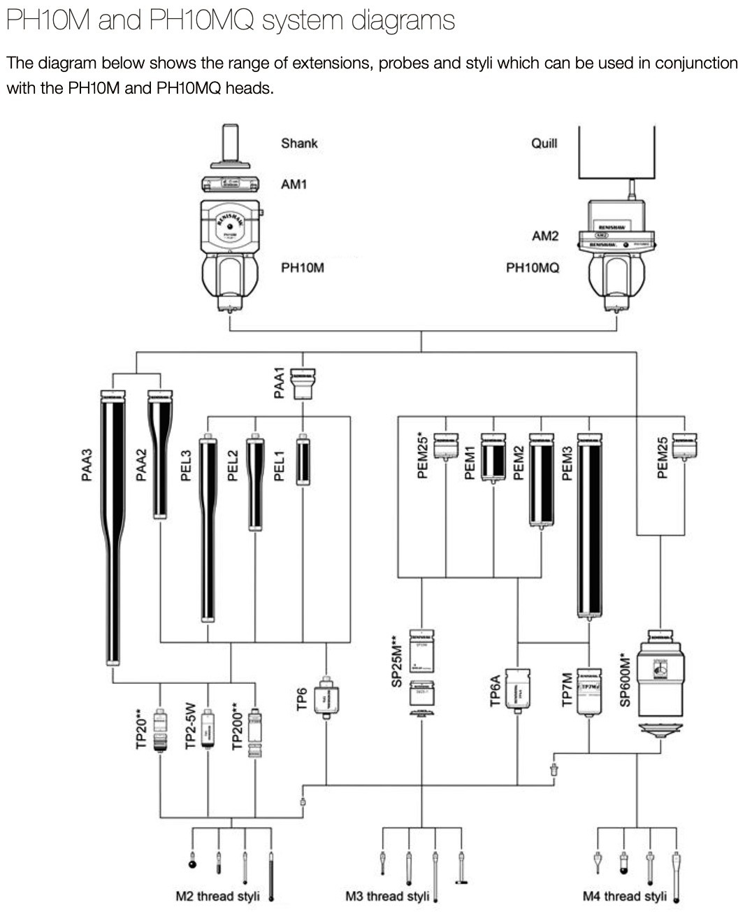
PH10M System Diagram

* When using a PH10MQ with SP600M a PEM25 extension bar is required to achieve A = 97.5° or A = 105° in all B-axis positions.
** TP20, TP200 and SP25M are only shown with one module. Other modules are available.
This by far is the best price you will find for a Renishaw PH10M Motorized CMM Probe Head New
with 1 Year Warranty. You may also specify PH10T or PH10MQ with your order for the same price if the
PH10M does not fit your current application. Why pay retail prices when you can purchase new with
warranty from Metrology Parts. Purchase with confidence from a verified Paypal retailer. If what you
order is not what you receive you will get a full refund for this sale. Metrology Parts would like the
opportunity to earn your business for this sale and all of your future Renishaw needs. If you have any
questions feel free to contact us. With 36 plus years of experience with Renishaw products we can help
with all your application needs as well as your after sales support.