We offer a great selection of Renishaw Products. We also focus on products related to CMMs as well as Vision Systems like Ram Optical and OGP. We thank you for the opportunity to earn your business and strive for your 100% satisfaction.
Condition:
Display Model: An item in excellent, new condition with no functional defects. The item is missing the original packaging and was used for demo purposes. Includes a 6 Month Warranty.
Country of Manufacture: UNITED KINGDOM
Brand: RENISHAW
Model: PHC10-3
MPN: A-5864-0100
Item Description
Renishaw PH10-3 Probe Head Controller Display Model - 6 Month Warranty.

The PHC10-3 manages all the head functions and communicates via a suitable interface with the CMM's computer
PH10 Introduction
The guide gives information on physical installation, system connections, communications and interface settings, as well as assistance in fault-finding during the installation of the PCH10-3.
The guide should be read in conjunction with the PH10 series user's guide in order to fully understand the system's features, capabilities and operation.
The PH10 series of motorised probe heads can only be used in conjunction with the PHC10-2 and PHC10- 3 and the UCC2 PH10 daughter card. The PHC10-3 has replaced the PHC10-2 and provides support
for RS232 and USB communications (IEEE is no longer supported). The PHC10-3 uses an external power supply for the PH10 series of heads, manages all the head functions and communicates via a suitable interface with the CMM's computer. The PHC10-3 does not manage the probe functions but does have the provision for an interface to be fitted.
PHC10-3 Installation


Key Description
| 1 9-way D-type plug for PICS output |
| 2 9-way D-type connector to HCU1 |
| 3 25-way D-type plug RS232 communications connector to CMM computer |
| 4 USB type “B” socket |
| 5 PHC10-3 Configuration switches |
| 6 15-way D-type connector to probe head |
| 7 7-pin DIN raw probe connector to probe interface or multiwire input for internal interfaces |
| 8 DC Power jack |
| 9 Equipment bond point |

PHC103 LED Names, Colours & Functions
| Name Colour Function | ||
| POWER Green Power ON when lit | ||
| STOP | Red | PHC10-3 asserting PICS STOP when lit PI200 asserting PICS STOP when flashing |
| HEAD READY Green Head ready for use when lit | ||
| HEAD ACTIVE Yellow Head indexing when lit | ||
| DATUM ERROR Red Head datum error when lit | ||
| OBSTRUCT ERROR Red Head obstruct error when lit | ||
| OVERLOAD ERROR Red Head overload error when lit | ||
| TP7 Green TP7 detected when lit | ||
| TP200 Green TP200 detected when lit | ||
| STD Green TP2 / TP20 / TP6 detected when lit | ||
| SEATED Green Probe seated when lit | ||
| DAMPED Yellow Probe damped when lit | ||
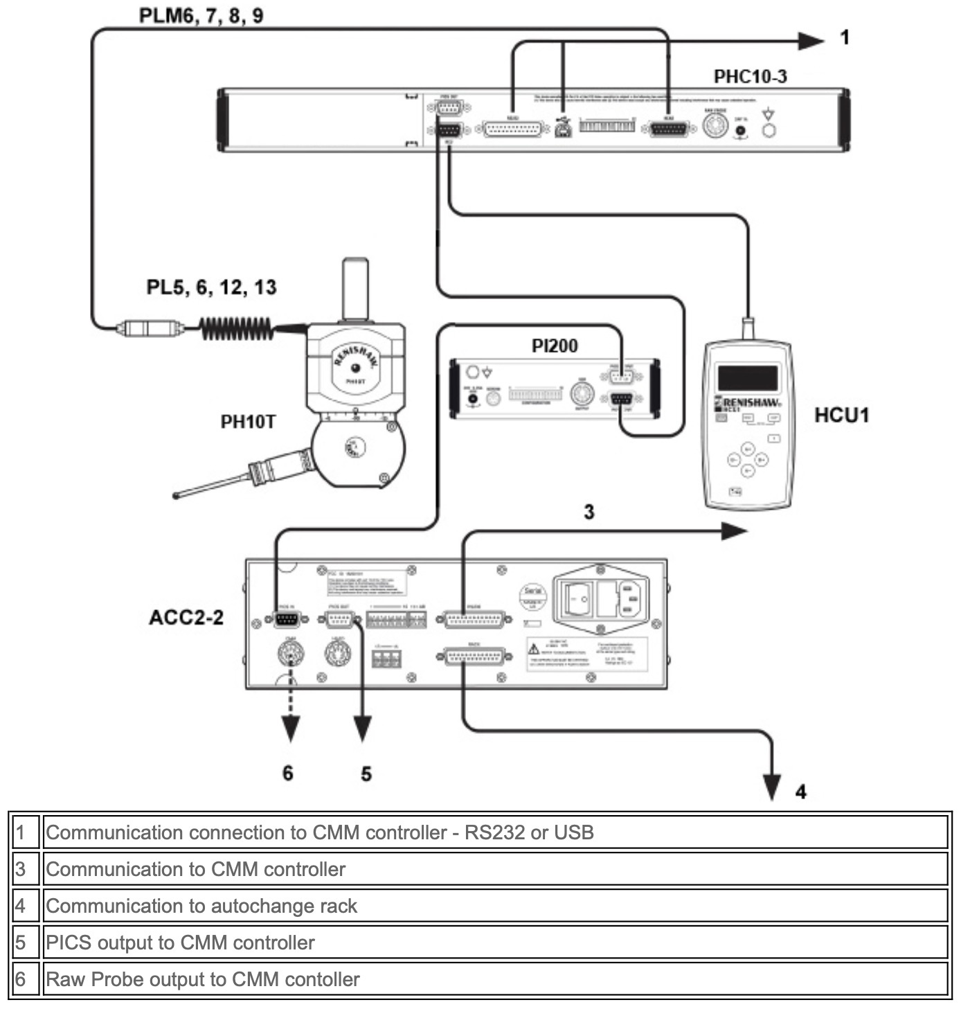
PH10 System Interconnection Diagrams


This is by far the best price you will find on a Renishaw CMM PHC10-3 RS232/USB Probe Controller
Display Model - 6 Month Warranty. Why pay retail prices when you can purchase with warranty from
Metrology Parts. Purchase with confidence from a Paypal verified retailer. If what you order is not
what you receive you will be refunded the full purchase price for this sale. Metrology Parts would
like the opportunity to earn your business for this sale and all of your future Renishaw product
needs. If you have any questions feel free to contact us. With 36 plus years of experience with
Renishaw products we can help with all of your application needs as well as your after sales support.